Holley Terminator X MAX Engine Management Systems 550-917 for Chevrolet Trucks 1999-2007
Holley Terminator X MAX Engine Management Systems 550-917 for Chevrolet Trucks 1999-2007
Couldn't load pickup availability
Engine Management Systems, Terminator X MAX, 8-Injectors, 8-Coil, Sensors, Trans and Tuner Controller, Chevy, LS, 4.8-6.0L, 1x Cam, 24x Crank, Kit
Holley Terminator X MAX Engine Management Systems
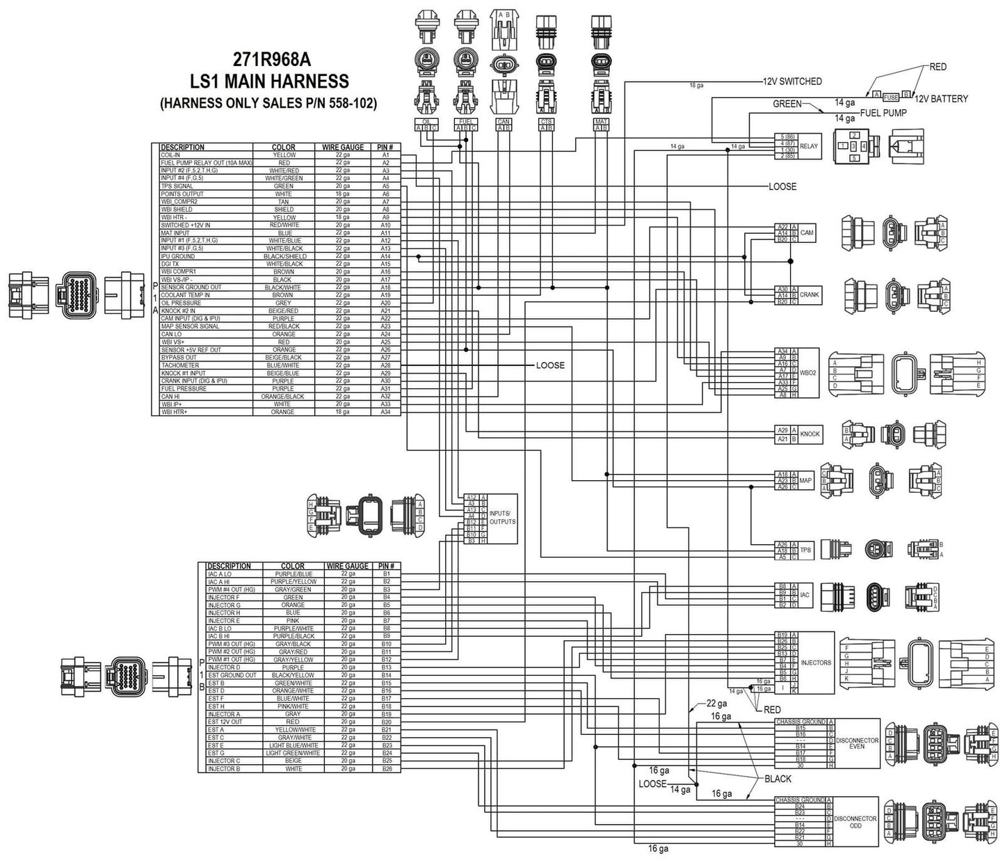
Holley Terminator X MAX engine management systems let you take control of your domestic V8 engine. They give you complete charge of your engine and self-learning fuel strategies, along with the proven, race-winning technology of Holley EFI—all at a budget-friendly price! Every MPFI Terminator X MAX features real-time fuel learn, high-impedance injector drivers, an integrated one-bar MAP sensor—and four programmable inputs and outputs, ideal for electric fans, boost control solenoids, progressive nitrous control, and much more. Also, Holley offers the X MAX systems with either or both drive-by-wire (DBW) throttle body control or transmission control. All kits come fully loaded with base maps for common domestic V8 engine combinations to get you out of the garage and onto the road or track fast. Order the model recommended for your vehicle application.
Features include:
* Holley EFI industry-leading, easy-to-use software suite allows full laptop access for advanced users
* Real-time fuel map learn—takes the guesswork out of tuning your base fuel table
* High-impedance injector drivers will safely power most standard injectors and Holley EFI injectors (will not control low-impedance injectors)
* Bosch LSU 4.9 wideband relays AFR information to the ECU for accurate reading and precise tuning control
* On-board one-bar MAP sensor is perfect for N/A or nitrous engine combos
* MAP sensor vacuum hose adapters
* 4 inputs: 12 V, ground, 5 V, and frequency
* 4 outputs: Ground, PWM, and for accessories
* Boost control: boost vs. time, boost vs. gear, boost vs. rpm, boost vs. speed, and boost safeties
* Nitrous control: single channel of wet or dry, progressive or non-progressive, rich/lean safeties, and target closed loop AFR; adjustable through touch screen
* Advanced tables can be used for any custom tables
* On-board diagnostic LEDs allow you to identify any critical engine issues at a glance
* The compact ECU size allows you to mount it virtually anywhere. Remember, diagnostic LEDs must face up!
* Plug-and-play compatible with more Holley EFI accessories
* Available with or without a 3.5 in. touch screen LCD hand-held with easy-to-use calibration wizard; allows you to quickly build a base tune for most V8 engines, as well as tuning and gauge display functions
Share







